三菱水平多关节型机械手

型号:RH-3FHR

这是一款节省空间的吊顶式水平多关节型机器人。
从电气、电子组装、小物件的精密组装到检查、高速搬运、 装箱等,用途十分广泛。
增加了30%的动作负载,提高了动作能力。
可以进一步缩短生产节拍。

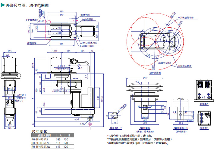
最高级别的快速动作XY合成:6267mm/s J4(θ轴):3146deg/s
标准周期时间0. 3 2 s(RH-3FHR35)
旋转轴动作范围±225度
环境标准标准:IP20 、清洁:ISO等级5 、防水:IP65
符合各种认证支持欧洲机械指令(CE) 。支持标准要求的为特殊机型,请在研究购买时进行咨询。





手机
电话
导航